Complex Sound Generation chip (1978)
provided sound effects for Space Invaders1 and many other . It was also a popular hobbyist chip, easy to experiment with and available at Radio Shack.
I reverse-engineered the chip from and found some interesting digital circuitry inside.
Perhaps the most interesting is a shift register based white noise generator, useful for drums, gunshots, explosions and other similar sound effects.
The chip also uses a digital mixer to combine the chip’s different sound generators.
An unusual feature of the chip is that it uses Integrated Injection Logic (I2L), a type of digital logic developed in the 1970s with the goal of high-density, high-speed chips.
(I wrote about the chip’s analog circuitry last year in .)
Looking under a microscope, you can see the circuitry that makes up the chip.
The yellowish lines above are the metal traces that connect the circuits of the die.
The reddish and greenish regions are the silicon of the chip, forming transistors and resistors.
The black blobs around the edges show where tiny bond wires connected the die to the integrated circuit pins.
I’ve outlined the analog circuits outlined in purple, while digital circuits are in cyan.
The 76477 is primarily analog—most control signals are analog, the chip doesn’t have digital control registers, and most sounds are generated from analog circuits—but about a third of the chip’s area is digital logic.
The block diagram below shows the 76477 chip’s functional elements and can be compared to the die photo above.
The voltage-controlled oscillator (VCO) produced a tone whose frequency depends on the control voltage.
The “super low frequency” SLF oscillator generated a triangle wave. Feeding this into the VCO generated a varying pitch, useful for bird chirps, sirens, or the warbling sound of the UFO in Space Invaders.
The “one-shot” produced a pulse of a fixed length to control the length of the sound.
The envelope generator made the sound more realistic by ramping its volume up at the start (attack) and down at the end (decay).
The digital white noise generator was used for drums, gunshots, explosions and other similar sound effects.
Finally the digital mixer combined these signals and fed them to the output amplifier.
The remainder of this article will dive into how the digital circuitry of the 76477 chip was implemented.
First I’ll explain Integrated Injection Logic (I2L), a short-lived logic family that was supposed to revolutionize computer chips.
Next, the noise generator, control logic and the digital mixer are reverse engineered and explained.
Integrated Injection Logic
You may be familiar with TTL integrated circuits, such as the popular family.
These chips are built from bipolar transistors—NPN and PNP transistors—and were fast.
(Minicomputers were built from boards full of TTL chips, taking advantage of its speed.)
Unfortunately, TTL gates required multiple transistors and bulky resistors, so it was difficult to fit a lot of TTL circuitry into an integrated circuit.
The die photo below illustrates the complexity of a single TTL inverter.
(For details on how it works, see my .)
A competitor to TTL was MOS; in the early 1970s, integrated circuits based on MOS transistors led to the rise of the microprocessor.
Unlike TTL, MOS transistors could be densely crammed onto VLSI integrated circuits, but
unfortunately, MOS was much slower than TTL.
This posed a dilemma in the 1970s: TTL couldn’t implement dense circuitry and MOS was too slow.
The integrated circuit industry needed a technology that combined the speed of TTL with the density of MOS, and it looked like I2L was the solution. (Spoiler: I2L wasn’t the wave of the future; CMOS was.)
I2L solved the problems of TTL and MOS with a clever new design. Each I2L gate was built from a single multi-collector bipolar transistor instead of the multiple transistors of TTL.
Even better, the transistors could be arranged in a high-density grid.
Finally, the bulky resistors of TTL were replaced by an “injector”, a tiny transistor that injected the necessary current.
For a final bonus, I2L was compatible with existing silicon fabrication techniques and could be built on the same chip with bipolar analog circuitry. (This was important for the 76477 sound chip, which combined analog and digital circuits on one chip.)
In the late 1970s and early 1980s, I2L looked like the dream technology that would take over the integrated circuit industry. A variety of I2L chips were built, including digital watch chips and some microprocessors, as well as the 76477 sound chip.
The diagram below shows six logic gates on the 76477, implemented with I2L logic.
There are two columns of gates, with injectors down the middle.
Each gate consists of one transistor (inner green rectangles).
Note the high density of the circuitry, without wasted space.
Each I2L gate is implemented with a single transistor, compared to multiple transistors and bulky resistors for a single TTL gate (compare with the TTL photo above).
Unlike TTL, which requires considerable wiring inside a gate, I2L only uses wiring between gates.
(Gates are connected by a layer of metal, which appears as thick yellow lines in the die photos.)
I2L is a bit tricky to understand; it’s like being in a crazy backwards world compared to TTL.
A normal logic gate (such as a NAND gate) has a few inputs and one output.
But an I2L gate has one input and multiple outputs! How can that work?
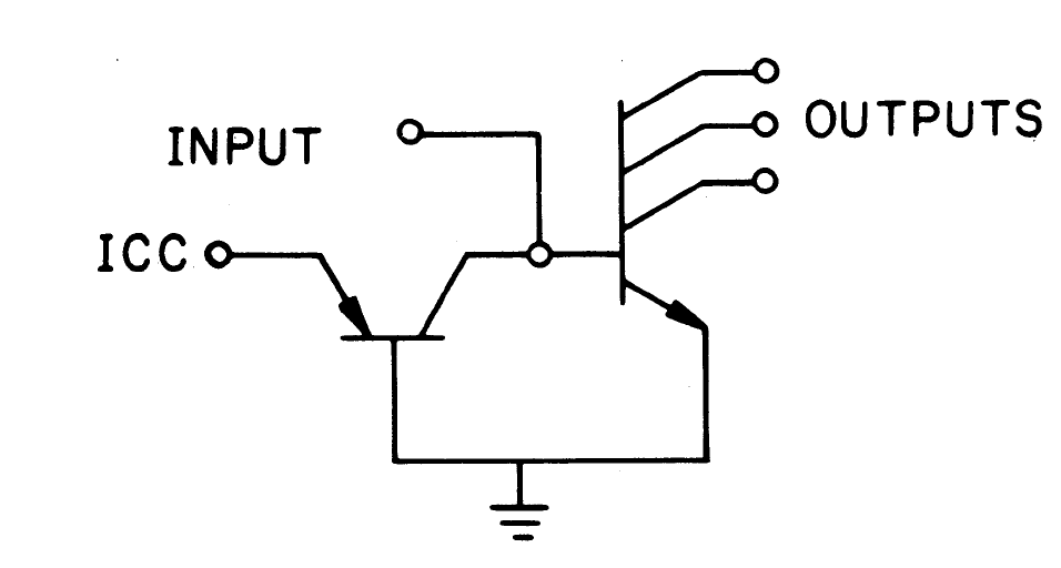
The schematic below shows an I2L gate, with one input and three outputs.
Normally the current from the injector (ICC) turns on the output transistor, pulling the output low.
But if the input is low, the output transistor turns off and the output will be high.2
Thus, the gate inverts the input. (You can think of the injector as a pull-up resistor on the input.)
Since the circuit above has a single input, it may seem to be just an inverter.
But by wiring several signals together at the input, you get an AND gate “for free”:
if any signal is low, it will pull the wire low, and otherwise the signal is high.
This is called “wired-AND”. The wired-AND input to the I2L inverter results in a NAND gate.
One problem arises with wired-AND:
if you connect an output to more than one wired-AND, everything gets shorted together. The solution is to have multiple outputs from the inverter.
Thus, each I2L NAND gate has a single input and multiple identical outputs. The outputs from various gates (A and B below) are connected together and fed to the input of a I2L gate, creating a NAND gate.
Compared to TTL, I2L is also constructed “backwards”.
The transistors in I2L have multiple collectors, while the transistors in TTL have multiple emitters.3
It may seem strange to think of transistors with multiple collectors, but the diagram below shows how they are constructed.
Each collector has an N region (brown) with a P region (green) below for the base, and another N region at the bottom, forming an NPN transistor.
The multiple collector is built by creating multiple N regions.
Note that the transistor’s collector is the grounded substrate.
Also note that the injector PNP transistor is just a P region, reusing the emitter and base’s N and P regions; this make the injector more compact than a “full” transistor.
Noise generator
The 76477 generates sounds such as a gunshot, explosion, steam train, or drum by producing a burst of , a hissing staticky sound.
Although white noise is relatively difficult to generate with an analog circuit,
it can be simulated by a digital shift register circuit.5
are a well-known technique, generating each new bit by combining some of the existing bits with an exclusive-or operation. With a careful design, a LFSR with an n-bit shift register can output 2^n-1 pseudorandom bits before repeating.
The 76477, however, uses a , a less-known technique that uses a different function to generate new bits.
The output from the noise shift register is a pseudorandom sequence of 0’s and 1’s, output at the shift register’s clock frequency.
The oscilloscope trace below shows the output sequence.
The shift register consists of 32 stages, each built from a two-latch flip flop.8
Looking at the die, we can see the shift register and determine the function that generates new bits.
Bits move through the shift register as indicated by the white arrow.
The feedback logic generates each new input bit from the current bits.7
The output is a pseudo-random bit that repeats after 56883 cycles.6
The noise circuitry is driven by a clock signal, either external or internal.
The internal clock is produced by a consisting of 15 inverters wired in a loop.
Because the number of inverters is odd, the input signal will be inverted after it goes through the loop and reaches the input. Thus, the circuit will continuously oscillate.
The die photo above shows the structure of the ring oscillator.
Each inverter is connected to the next, as indicated by the white arrow. The last inverter is connected to the first through the “ring feedback” wire.
The output from the ring oscillator is a bit unusual, due to the single-input multi-output structure of I2L. The output is tapped from the third inverter, which has a second output.
It is connected to a 4-output inverter, which drives the four output inverters in parallel.
This produces an output with four times the regular current, sufficient to drive the shift register.
The noise filter
The sound of the noise can be tuned for different effects such as a high-pitched gunshot or a lower-pitched steam engine.
This filtering is done by the noise filter, an adjustable low-pass filter that processes the pseudo-random white noise produced by the shift register.
While this circuit is analog, I’ll explain it here since it’s part of the noise circuitry.
The filter is basically an integrator, controlled by an external resistor and capacitor.
In other words, the filter converts the sharp pulses from the shift register into ramps up or down, for inputs of 1 or 0 respectively, yielding the waveform below.
(A slower ramp up and down yields an output signal that changes more slowly and is biased towards low frequencies, filtering out more high frequencies.)
This signal is then converted back into a digital signal, which is used as the noise signal by the rest of the chip.
On the die, the noise filter is made of NPN and PNP transistors, along with some resistors (long red squiggles). You can see that analog circuits are not as dense as the I2L transistors. The black blobs are where bond wires connect the die to the IC pins.
While the noise filter is controlled by an external resistor and capacitor, it is built very differently from a typical R-C filter.
The schematic (below) shows that the noise filter is built largely from current mirrors.
(A is a controllable current sources built from a few transistors, shown as an arrow in a circle on the schematic.)
The external resistor sets the current through the current mirror reference.
Under the control of the shift register output, the double current mirror (two arrows) will either sink twice the resistor current or nothing.
Summing the two currents yields either a charging current or a discharging current for the capacitor, equal to the resistor current.
The result is the external capacitor will be charged or discharged with a steady current, with the rate controlled by the external resistor.
Finally, the capacitor voltage is converted to a clean digital output by a Schmitt trigger, and fed to the mixer.
The chip uses this current mirror “trick” in multiple places and I’ve written about it if the description here is too brief.
Miscellaneous logic
There’s a block of I2L circuitry that implements miscellaneous digital logic to control the chip.
It implements the envelope select logic that generates the attack and decay signals that shape the output sound.11
This logic block also processes the inhibit and reset inputs, used to produce bursts of sound.
I won’t go into the details of this logic; it’s basically NAND gates, inverter buffers, and a T flip flop built from NAND gates. The die photo below shows the efficient, dense packing of I2L logic; each column contains two gates.
The mixer
The 76477 includes a mixer that allows any combination of the three sound sources (Voltage-Controlled Oscillator, Super-Low Frequency oscillator, and noise) to be combined to form the output.
The mixer isn’t an analog mixer, but just ANDs together the digital inputs.
Unfortunately this makes the mixer less useful since inputs aren’t combined as audio sounds, but essentially gate each other.
The mixer is implemented by an 8-input multiplexer, consisting of eight NAND gates feeding an output NAND gate (below).13
Each gate is enabled by one of the eight mixer select combinations (above), and passes the corresponding sound signals. Finally the 8-input NAND gate merges the eight branches to produce the output.12
For instance if A, B and C are low (selecting VCO), the top NAND gate is active, passing the VCO signal to the output. If A is high, B is low and C is high, the SLF, VCO and Noise signals are ANDed and passed to the output.
If A, B and C are all high (Inhibit), the bottom gate pulls the output high.
The logic is essentially a direct implementation of the table above.
The die photo below shows the mixer. The black line indicates the middle NAND gate, which on the die has a single input and a single output.
The key point is that with I2L, a 6-input NAND gate is implemented by wiring together the 6 desired signals to a single gate input. This wire is indicated in blue with the 6 desired input signals marked with blue circles.
Likewise, the eight NAND gate outputs (red circles) are wired together (red line) for the output.
Interpreting an I2L circuit is confusing because of the conceptual reversal of inputs and outputs.
Conclusions
In the late 1970s, I2L was heralded as the technology of the future, combining the speed of TTL integrated circuits with the density of MOS.9
I2L reached its peak with the production of 16-bit microprocessors by Fairchild and Texas Instruments in the 1970s and 1980s.14
Fairchild’s I2L Microflame processors
lived up to their name,
that some chips were packaged on , a toxic ceramic that conducts heat better than most metals.
Unfortunately for I2L, CMOS turned out to be the winning technology.
CMOS’s extremely low power consumption and scalability
allowed CMOS chips to hold exponentially more circuitry (as described by Moore’s Law)
making modern microprocessors possible. Thus, the processor you’re using now is built from CMOS and I2L is a historical footnote.
The 76477 sound chip is an unusual combination of analog and digital circuitry, using I2L for the digital logic.
Since the sound chip was primarily controlled by resistors, capacitors and voltages, it
was difficult to control with a microprocessor.
As a result, the 76477 sound chip was soon overshadowed by digital sound chips, such as the and the that could easily be interfaced to a microprocessor.15
Nevertheless, the 76477 chip was popular with hobbyists as it was easy to experiment with and readily available at Radio Shack.
Although long obsolete, the 76477 still lives on in the occasional and
(inexplicably) an .
I announce my latest blog posts on Twitter, so follow me at . I also have an .
Thanks to for the die photos.
Notes and references
The show that the video game used seven different circuits to create its different sounds.
The 76477 generated the “UFO” sound, while other sounds (saucer hit, explosion, missile, invader hit, etc.) were mostly generated by collections of op amps. ↩
In the I2L schematic as shown, the output will be floating when not pulled to ground.
But in use, the output will be connected to another gate, and its injector current will pull the output high. ↩
If you’re familiar with TTL circuitry, you may know that it uses transistors with multiple emitters.
The multiple-collector transistors used by I2L are constructed in essentially the same way on die, except the role of the emitter and the collector are swapped. ↩
When looking at the 76477 die, a collector and a base are almost identical, which I didn’t expect.
Fortunately, there is a subtle difference that lets you distinguish them: both have a circle inside a square, but for some reason the base’s circle touches the square while the collector’s circle is centered. ↩
Because the output of the shift register is pulses at a fixed clock frequency, the noise isn’t “genuine” white noise, which has a flat frequency spectrum and is more random. However, the shift register output is a reasonable approximation below the clock frequency. Some discussion is . ↩
The pseudo-random noise output from the shift register repeats after 56883 cycles. This is much worse than you could get from a 32-bit LFSR (a cycle of length 2^32-1), so they could have used a much smaller shift register. Perhaps the nonlinear terms help initialize the shift register; a linear-feedback shift register can get stuck in the all-zeros state. ↩
The nonlinear feedback function is
NOT ((r2 XOR r30) OR (r2 AND r26 AND r27 AND r28 AND r29 AND r30)).
I verified that the chip’s output matches this formula.
Interestingly, the Mame emulator’s uses a similar, but not identical noise algorithm. ↩
One puzzling feature of the shift register is that there is no wiring between the stages!
How do bits get from one stage to the next? Did the chip have another layer of wiring that wasn’t in the photos? Was there some sort of hidden connection?
Eventually I noticed that there wasn’t an isolation ring between the stages—a silicon barrier that separated most I2L circuits. Without this isolation ring, an “invisible” PNP transistor exists between the stages, apparently allowing one stage to flip the next stage to the right value.
Each shift-register stage is constructed from two NAND-gate latches. When the clock is low, the first latch is forced into an indeterminate state. When the clock goes high, the latch ends up as 0 or 1 based on the bias it receives from the previous stage through the “invisible” PNP transistors.
Thus, the latch becomes edge-sensitive since it will change right on the clock’s rising edge.
I found a paper (“Injection-Coupled Synchronous Logic”, 1978)
that describes a similar technique for an I2L shift register9, so I think this is the right explanation, even though the circuit seems a bit sketchy. ↩
See the 1976 article “Integrated Injection Logic: A Bipolar LSI Technique”for an overview of I2L ().
The most thorough reference I’ve found on I2L is the book (1980), a collection of dozens of articles on I2L. ↩
The die has a multi-transistor circuit connecting the env1 pin to the shift register. It looks like pulling the env1 input above 5 volts should reset the shift register. Perhaps this is an undocumented feature for testing. However, I couldn’t make this work on an actual chip, so it’s a bit mysterious. ↩
Strangely, the envelope control logic has separate logic to generate the attack and decay signals, even though they are simply complements of each other. I wonder if the designers originally planned a more complex envelope, perhaps attack, sustain, and decay. ↩
The mixer implementation can be viewed as AND gates feeding an OR gate (rather than NAND gates feeding a NAND gate). This follows from . ↩
The mixer implementation is more complex than it needed to be for no apparent reason.
An easier approach would be to have each mixer select input control one of the three signals with a simple NAND gate. Instead the mixer options are ordered apparently randomly, requiring the complex multiplexer. ↩
I’ll give a brief summary of I2L microprocessors.
Fairchild’s Microflame architecture series started with the 16-bit in 1977.
(The Microflame processors used Fairchild’s “Isoplanar Integrated Injection Logic” technology (I3L); presumably this was one better than regular I2L.)
The Fairchild (1979) implemented the architecture of the Data General Nova minicomputer.
In 1980 the US Air Force came up with a standard 16-bit processor architecture called
and multiple companies built microprocessors meeting this standard.
Fairchild’s I2L entry in this market was the
.
Meanwhile, Texas Instruments produced the 4-bit bit-slice processor (1975) with 1660 gates.
This was followed by I2L processors in its 16-bit 9900 family: the
with 6034 gates (1979)
and improved
with 5000 gates (1981).
I2L processors were used in the niche market of radiation-resistant processors for space applications. For example, the TI
(1985), a successor to the 9900.
One radiation-resistant I2L microprocessor was the TI ↩
The 76477 has a few design decisions that don’t make sense to me. One is the complex, suboptimal shift register configuration for the noise generator.
Another is the digital mixer configuration that makes the mixer circuit unnecessarily complex.
Finally, the envelope control logic seems like it was designed for more complex envelopes than than the chip actually implemented.
I don’t like to criticize chip designs, figuring the designers must have known what they were doing, but I have to wonder about the 76477. ↩
Schmidt’s Naturals, the globally renowned brand for personal care products, has decided to hop in on the crypto bandwagon. Starting May 14, 2018, the Unilever-owned company began accepting payments on its online store.
Source:
In a conversation with CNBC, the Schmidt Natural’s co-founder and chief executive Michael Cammarata stated that the decision to embrace crypto payment was motivated by the company’s .
“Some of the [website’s] subscribers were like, ‘Hey, we want to be able to pay in bitcoin,’” he said Tuesday, May 15 on CNBC’s “Power Lunch.”
You Can Buy One Little Deodorant with bitcoin
Cammarata revealed that Schmidt has partnered with to facilitate transactions. The CNBC reporter raised a doubt which is shared by many people who are new to cryptocurrencies; with the being “several thousand dollars, how do you buy a little deodorant with bitcoin?”
Schmidt insisted that bitcoin payment method applies to all purchases — be it a bar of soap, or ten bottles of your favorite hair conditioner, reinforcing the fact that transactions can be of any fraction of bitcoin. A single bitcoin is divisible up to 100 million units called .
BTCManager takes this opportunity to educate its readers; bitcoin is more divisible than a dollar. You can send any fraction of bitcoin to anyone. You don’t need a whole bitcoin for anything (Except for HODLING it like a boss). You can buy a fraction of bitcoin, store it, sell it, trade it or do anything else with it. Read More here in our primer, ‘.’
Additionally, Cammarata pointed out that most shoppers are likely to use bitcoin to purchase yearly or monthly subscription packages. He also emphasized on the point that customers are welcome to pick their preferred subscription packages. They are all customizable, he added, explaining that the online store allows shoppers to place orders on a long-term basis while letting them choose how much of a product they want. “Most yearly subscribers of Schmidt’s products are parents who are buying the company’s products for their college kids.”
For now, the company is only accepting bitcoin which was the default choice since it offers most liquidity. They are going to see “how it goes” and might consider adding more .
Other Major Online Stores Adopting bitcoin Payments
Schmidt, however, is not the first online store to accept bitcoin for payments. Many retailers and services are already recognizing the world’s leading cryptocurrency.
, for example, began accepting digital currency payments way before – starting January 2014, precisely. The online retail giant allows consumers to pay bitcoin for pretty much everything including television sets and laptops to ottomans and throw pillows.
Other businesses that accept bitcoin payments include the likes of Newegg, Expedia, and Shopify.
The post appeared first on .
